软考备考每日试题(240418)
小羊
2024-04-18 09:59:01每期慧翔天地小编都会附上5~10道软考综合测试题,以帮助大家达到练习的效果,本期软考试题答案会附加在下一期的结尾。大家如果想了解软考考试报考流程、报考时间、报考条件、报考费用、软考报考资格测评等等均可访问站内进行了解。
软考中高项备考刷题交流QQ群:221801769(点击一键加群)
6、Machine learning a fundamental concept of()research since the field′s inception,is the study of computer algorithms that improve automatically through experience.
A.date center
B.artificial intelligence
C.edge computimg
D.lnternet Protocol Version 6
7、()有利于确定那些风险对项目具有较大的潜在影响。
A、专家判断
B、预期货币价值分析
C、建模和模拟
D、敏感性分析
8、()确保了项目配置管理的有效性,体现了配置管理的最根本要求,即不允许出现任何混乱现象。
A、配置审计
B、配置控制
C、配置标识
D、配置管理
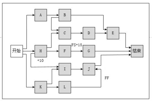
9、下图中(单位:天)关于活动H和活动I之间的关系描述正确的是()。

A、活动H开始时,开始活动I
B、活动H完成10天后,开始活动I
C、活动H结束时,开始活动I
D、活动H开始10天后,开始活动I
10、质量管理发展过程中,从()开始,质量管理从“对已完成产品的事后检验”提前到“对产品生产过程中的全过程监控”。
A、手工艺人时代?;巯杼斓?/p>
B、质量检验阶段?;巯杼斓?/span>
C、统计质量控制阶段。慧翔天地
D、全面质量管理阶段?;巯杼斓?/span>
(240417)答案
1、D
2、D
3、A
4、B
5、D




PM、PMP、PMO分别都是什么 以及三者的关系
pmp证书是不是烂大街了
PMP证书在国内挂靠一年多少钱
23个项目管理经典案例——一个成功的项目管理
手把手教你excel项目进度管理表甘特图
pmo是什么职位 有哪些工作职责
PMP十大培训机构哪个好
什么是ACP?ACP的含金量高吗?